Профиль LINE-5050-DUAL-3000 ANOD (Arlight, Алюминий) 047486 в Барнауле
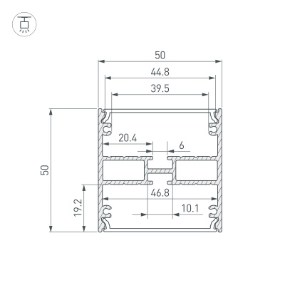
Подвесной профиль из анодированного алюминия с двусторонним свечением вверх-вниз для основного и акцентного освещения. Габаритные размеры профиля составляют 3000 мм в длину, 50 мм в ширину и 50 мм в высоту. Площадки для установки светодиодных лент позволяют использовать по одной ленте шириной от 19 до 46 мм и мощностью до 26 Вт/м каждая или по две ленты шириной до 20 мм и мощностью 13 Вт/м каждая. Это обеспечивает гибкость в выборе светодиодных лент и создает потрясающие световые решения. Экраны, заглушки и другие аксессуары не включены в комплект и приобретаются отдельно. Цена указана за 1 метр профиля. Отличное решение для создания современных световых проектов.
Алюминиевый анодированный профиль для светодиодных лент и линеек, свечение вверх и вниз. Габаритные размеры (L×W×H): 3000x50x50 мм. Ширина площадок для ленты 46,8 мм. Экраны, заглушки и другие аксессуары приобретаются отдельно. Цена за 1 метр.
047486 Arlight Профиль Подвесной Прямоугольный Серебристый в Барнауле
Вы можете заказать Профиль Arlight с доставкой или самовывозом в Барнауле
просто достаточно позвонить менеджеру и сообщить артикул товара: 047486 или оформить заказ на сайте Arlight Shop Барнаул
Характеристики
|
Объем м3
|
0.0075 |
|
Гарантия м.
|
36 |
|
Материал корпуса
|
Алюминий |
|
Способ монтажа
|
Подвесной |
|
Назначение
|
Для прямоугольных светильников |
|
Форма (сечение)
|
Прямоугольный |
|
Цвет покрытия
|
Серебристый |
|
Тип товара
|
Профиль |
|
Гарантийный срок
|
3 год(а) |
|
Модельный ряд
|
ARH-LINE |
|
КПД профиля (cветовой)
|
89 % |
|
Рассеиваемая тепловая мощность на 1м
|
max: 52.5 W |
|
Ширина световой линии
|
41 мм |
|
Внешний вид поверхности
|
Матовая |
|
Покрытие поверхности
|
Анодирование |
|
Длина
|
3000 мм |
|
Ширина
|
50 мм |
|
Высота
|
50 мм |
|
Ширина площадки
|
46.8 мм |
|
Глубина установки источника света
|
18 мм |
|
Кратность цены за 1 м/шт
|
1 |
|
Мощность (прайс)
|
52.5 Вт |
|
Схема площадок
|
2 одинаковые площадки, 2 экрана, светят друг от друга |
|
Ширина дополнительной площадки
|
46.8 мм |





