Профиль MIC-M-3000 ANOD (Arlight, Алюминий) 044542 в Барнауле
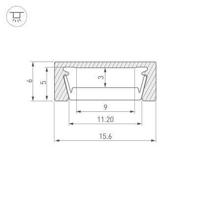
Улучшенная версия популярного профиля серии MIC. Обновленная конструкция профиля и новые заглушки позволяют резать экран и профиль одной длины. Накладной профиль из анодированного алюминия для подсветки мебели, пазов, ниш и других элементов интерьера. Габаритные размеры профиля составляют 3000 мм в длину, 15,6 мм в ширину и 6 мм в высоту. Площадка для установки светодиодных лент позволяет использовать ленту шириной до 11,2 мм и мощностью до 15 Вт/м. Это обеспечивает гибкость в выборе светодиодных лент и создает потрясающие световые решения. Экраны, заглушки и другие аксессуары не включены в комплект и приобретаются отдельно. Цена указана за 1 метр профиля. Отличное решение для создания современных световых проектов.
Алюминиевый анодированный профиль для светодиодных лент и линеек. Габаритные размеры (L×W×H): 3000x15,6x6 мм. Ширина площадки для ленты 11,2 мм. Экраны, заглушки и другие аксессуары приобретаются отдельно. Цена за 1 метр.
044542 Arlight Профиль Накладной Прямоугольный Серебристый в Барнауле
Вы можете заказать Профиль Arlight с доставкой или самовывозом в Барнауле
просто достаточно позвонить менеджеру и сообщить артикул товара: 044542 или оформить заказ на сайте Arlight Shop Барнаул
Характеристики
|
Объем м3
|
0.000288 |
|
Гарантия м.
|
24 |
|
Материал корпуса
|
Алюминий |
|
Способ монтажа
|
Накладной |
|
Назначение
|
Для контурной подсветки |
|
Форма (сечение)
|
Прямоугольный |
|
Цвет покрытия
|
Серебристый |
|
Тип товара
|
Профиль |
|
Гарантийный срок
|
2 год(а) |
|
Модельный ряд
|
MIC |
|
КПД профиля (cветовой)
|
90 % |
|
Рассеиваемая тепловая мощность на 1м
|
max: 15 W |
|
Ширина световой линии
|
11 мм |
|
Внешний вид поверхности
|
Матовая |
|
Покрытие поверхности
|
Анодирование |
|
Длина
|
3000 мм |
|
Ширина
|
15.6 мм |
|
Высота
|
6 мм |
|
Ширина площадки
|
11.2 мм |
|
Глубина установки источника света
|
4 мм |
|
Кратность цены за 1 м/шт
|
1 |
|
Мощность (прайс)
|
15 Вт |












